制服丝袜一区,色.com,精品人人人,啪啪剧场,色图视频,妺妺窝人体色www婷婷

SKF軸承
專業(yè)經銷滾針軸承
當前位置 : 滾針軸承 ? 型號搜索 ? SKF K 62x70x40 ZW軸承

SKF K62x70x40ZW軸承

SKF K62x70x40ZW軸承圖紙及尺寸參數
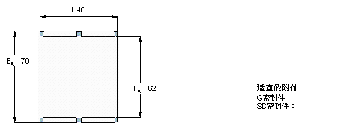
尺寸
  • Fw
  • 62
  • mm
  • -
  • Ew
  • 70
  • mm
  • -
  • U
  • 40
  • mm
  • -
基本額定載荷
  • C
  • 62700
  • N
  • 動載荷
  • C0
  • 146000
  • N
  • 靜載荷
疲勞載荷極限
  • Pu
  • 18600
  • N
  • -
額定轉速
  • 參考轉速
  • 6700
  • r/min
  • -
  • 極限轉速
  • 7500
  • r/min
  • -
重量
  • 重量
  • 170
  • g
  • -
型號
  • 型號
  • K 62x70x40 ZW
  • -
  • -
適當的密封件型號
  • 適當的密封件型號
  • -
  • -
軸承K 62x70x40 ZW詳細說明
我司是SKF軸承特約合作伙伴,專業(yè)銷售SKF K62x70x40ZW軸承,為客戶提供尺寸圖紙、基本參數、批量采購報價或更多滾針軸承產品目錄!我們長期庫存SKF K 62x70x40 ZW軸承,我司在保稅區(qū)設有大型倉庫,存量大,品種齊全,公司密切與國外廠商合作,為客戶提供選型和最佳應用方案!咨詢熱線:
相關型號
推薦型號
應用行業(yè)
SKF CRSBE-24軸承廣泛應用于服裝機械設備、卡車、掛車和公共汽車、混合設備、商超設備、過濾設備、鉆床、壓縮機、機床、滑座鉆床 等領域。